Audio
RUBIK Pi 3 currently supports the following audio interfaces:
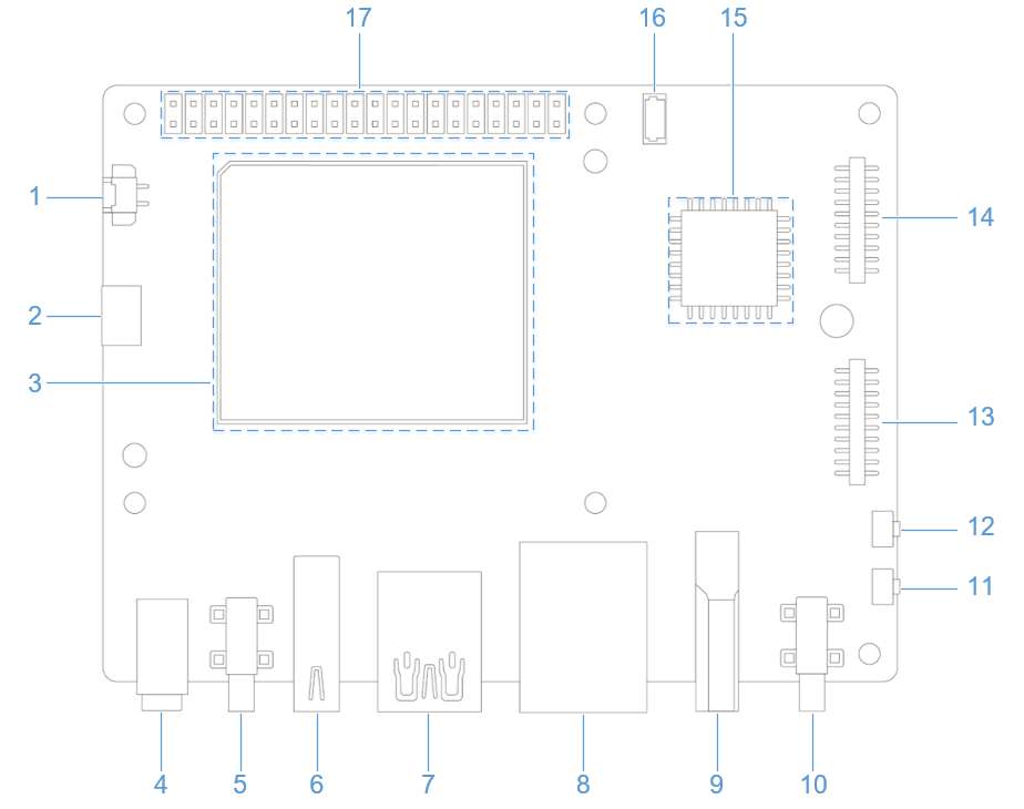
- 3.5mm headphone (No. 4 in the following figure)
- HDMI OUT (No. 9 in the following figure)
- USB Audio (No. 5, 6, 7 in the following figure)

This section describes how to perform audio playback, recording, and input/output interface switching when a UAC device is connected.
Sound card
-
The mounting order of the onboard sound card and the UAC device sound card mainly depends on the following factors:
- The connection interface of the UAC device.
- Whether the UAC device is connected before or after device boot-up.
-
On RUBIK Pi 3, run the following command to check the mounted sound cards:
cat /proc/asound/cards
warning- The following instructions assume that the onboard sound card is mounted as card 0, and the UAC device is mounted as card 1.
- The actual name and supported formats of UAC devices may vary. Please adjust commands accordingly based on your specific device.
-
On RUBIK Pi 3, run the following command to check the allocated PCM stream list:

ALSA
-
On RUBIK Pi 3, run the following commands to install the ALSA utilities.
sudo apt update
sudo apt install alsa-utils
Playback
- Run the following command to ensure the /opt path has read/write permissions.
- Make sure the
WAVtest file (<FileName>.wav) has been pushed to the /opt directory before running the command.
sudo chmod 777 -R /opt
paplay /opt/<FileName>.mp3
- 3.5mm headphone playback
amixer -c 0 cset "name=DAC Playback Volume" 192
amixer -c 0 cset "name=PRIMARY_MI2S_RX Audio Mixer MultiMedia1" 1
aplay -Dplughw:0,0 /opt/<FileName>.wav - HDMI OUT playback
amixer -c 0 cset "name=QUATERNARY_MI2S_RX Audio Mixer MultiMedia2" 1
aplay -Dplughw:0,1 /opt/<FileName>.wav - UAC playback
aplay -Dplughw:1,0 /opt/<FileName>.wav
Recording
Run the following command to ensure the /opt path has read/write permissions.
sudo chmod 777 -R /opt
-
3.5mm headphone recording
amixer -c 0 cset "name=MultiMedia3 Mixer PRIMARY_MI2S_TX" 1
arecord -Dplughw:0,2 -f S16_LE -r 48000 -c 1 -d 10 -t wav /opt/<FileName>.wav -
UAC recording
warningAdjust the command parameters based on the formats actually supported by the UAC device.
arecord -Dplughw:1,0 -f S16_LE -r 48000 -c 1 -d 10 -t wav /opt/<FileName>.wav
PulseAudio
-
On RUBIK Pi 3, run the following commands to install the PulseAudio utilities:
sudo apt update
sudo apt install pulseaudio pulseaudio-utilsnotePlease run the Pulseaudio command under a non-root user. For example, use the
su ubuntucommand to switch to the ubuntu user.
Set the audio output interface
- PulseAudio automatically switches audio output based on sink priority: UAC > 3.5mm headphone > HDMI OUT.
- Users can manually switch using the
set-default-sinkcommand. Once switched manually, the automatic strategy will be overridden until the sink is manually set back to the one with the highest priority.
- On RUBIK Pi 3, use the following command to view sink names and their priorities:
pactl list sinks | grep -A5 -B1 -E 'Sink #|priority'
Switch the audio output interface
pactl set-default-sink <Sink-Name>
Examples
- Switch output to 3.5mm headphone:
pactl set-default-sink alsa_output.platform-sound.HiFi__hw_qcs6490rubikpi3_0__sink
- Switch output to HDMI OUT:
pactl set-default-sink alsa_output.platform-sound.HiFi__hw_qcs6490rubikpi3_1__sink
- Switch output to UAC device:
Adjust the command according to the actual sink name of your UAC device.
pactl set-default-sink alsa_output.usb-GeneralPlus_USB_Audio_Device-00.analog-stereo
Set the audio input interface
- PulseAudio automatically switches audio input based on source priority: UAC > 3.5mm headphone.
- Users can manually switch using the
set-default-sourcecommand. Once switched manually, the automatic strategy will be overridden until the source is manually set back to the one with the highest priority.
- On RUBIK Pi 3, run the following command to list available sources and their priorities:
pactl list sources | grep -A5 -B1 -E 'Source #|priority'
Switch the audio input interface
pactl set-default-source <Source-Name>
Examples:
- Switch input to 3.5mm headphone:
pactl set-default-source alsa_input.platform-sound.HiFi__hw_qcs6490rubikpi3_2__source
- Switch input to UAC device:
Adjust the command according to the actual source name of your UAC device.
pactl set-default-source alsa_input.usb-GeneralPlus_USB_Audio_Device-00.mono-fallback
Playback
- Run the following command to make sure the /opt directory has read/write permissions.
- Before running the command, ensure the
MP3test file (<FileName>.wav) has been pushed to the /opt directory.
sudo chmod 777 -R /opt
Recording
Run the following command to make sure the /opt directory has read/write permissions.
sudo chmod 777 -R /opt
- On RUBIK Pi 3, run the following command to start recording:
parecord /opt/<FileName>.mp3