DisplayPort
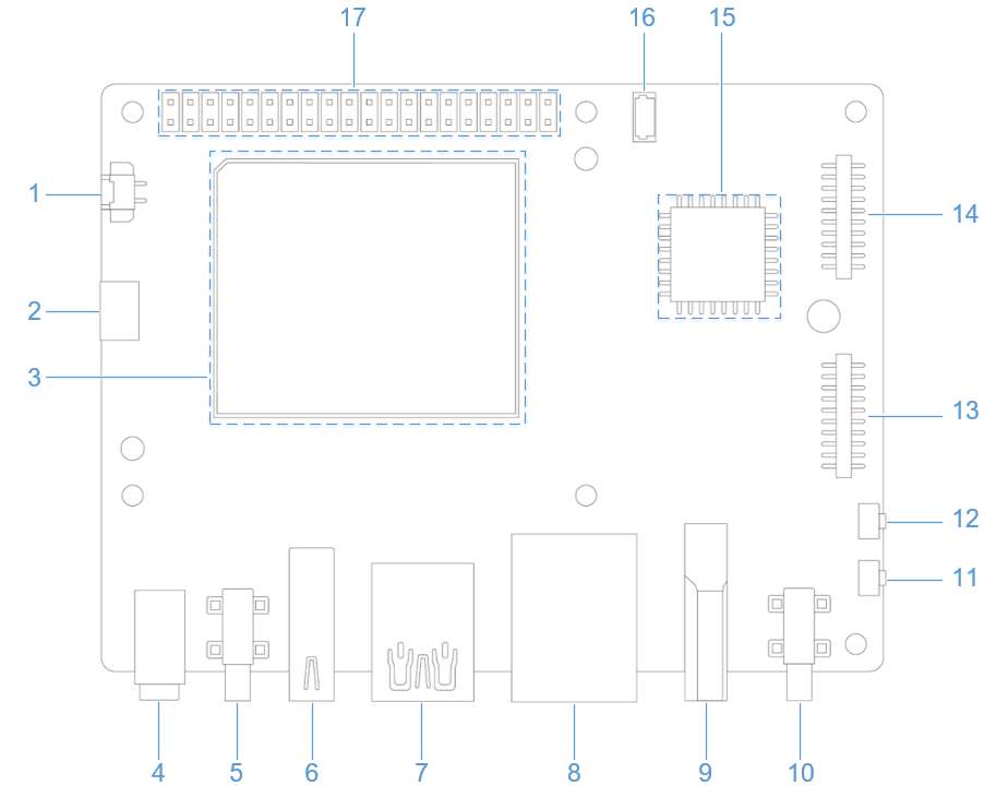
RUBIK Pi 3 provides a USB Type-C that supports DisplayPort (DP), labeled as No. 5 in the following figure.
The DP specifications are as follows:
- 
3840 × 2160@60 fps 
- 
Single stream transport 
- 
Simultaneous operation of DP and USB 3.0 

note
The DP function is not supported in Ubuntu 24.04 V1.0.0. Support for this feature will be introduced in future versions..